NSN 5935-00-074-2295
Part Details | PLUG-IN ELECTRONIC COMPONENTS SOCKET
5935-00-074-2295 An item designed to electrically connect and mechanically position the base of an item having plug-in-type contacts, and to facilitate replacement of the item accommodated. It includes sockets which accommodate the contacts of capacitors, coils, crystals, electron tubes, relays, semiconductor devices and vibrators. Excludes sockets or receptacles designed to accommodate plug-in component circuit boards (printed circuit boards) and electronic modules or sub-assemblies. Also excludes heat-dissipating (not heat-sinks) sockets for mounting "power transistors".
Alternate Parts: 146817, 146-817, 146817, 146-817, 61122810, 611228-10, 146817, 146-817, 5935-00-074-2295, 00-074-2295, 5935000742295, 000742295
Supply Group (FSG) | NSN Assigned | NIIN | Item Name Code (INC) |
---|---|---|---|
59 | JAN 01, 1963 | 00-074-2295 | 28914 ( SOCKET, PLUG-IN ELECTRONIC COMPONENTS ) |
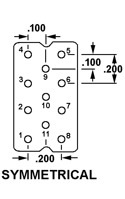
REFERENCE DRAWINGS & PICTURES
SURFACE MOUNT

TWO MOUNTING HOLES/SLOTS, IN-LINE

SYMMETRICAL

Cross Reference | NSN 5935-00-074-2295
Part Number | Cage Code | Manufacturer |
---|---|---|
146-817 | 77820 | AMPHENOL CORPORATIONDBA AMPHENOL AEROSPACE OPERATIONS |
146-817 | 02660 | AMPHENOL CORPSPECTRA-STRIP/ITD |
611228-10 | 80020 | NAVAL AIR WARFARE CENTER AIRCRAFTDIVISION CODE 4.8.8.0.0.B BLDG 148-2 |
146-817 | 00779 | TE CONNECTIVITY CORPORATIONDBA TE CONNECTIVITY |
Technical Data | NSN 5935-00-074-2295
Characteristic | Specifications |
---|---|
CONTACT POSITION ARRANGEMENT STYLE | SYMMETRICAL |
ACCOMMODATED CONTACT QUANTITY | 11 |
CONTACT MAXIMUM CURRENT RATING IN AMPS | 10.0 |
CONTACT MATERIAL | PHOSPHOR BRONZE |
CONTACT SURFACE TREATMENT | NICKEL |
BODY STYLE | SURFACE MOUNT |
OVERALL LENGTH | 4.187 INCHES NOMINAL |
OVERALL HEIGHT | 0.873 INCHES NOMINAL |
OVERALL WIDTH | 2.500 INCHES NOMINAL |
BODY MATERIAL | PLASTIC |
TERMINAL TYPE AND QUANTITY | 11 TAB W/SCREW |
MOUNTING TYPE FOR WHICH DESIGNED | CHASSIS |
MOUNTING METHOD | UNTHREADED HOLE |
MOUNTING HOLE STYLE | TWO MOUNTING HOLES/SLOTS, IN-LINE |
MOUNTING HOLE DIAMETER | 0.156 INCHES NOMINAL |
DISTANCE BETWEEN MOUNTING FACILITY CENTERS | 3.875 INCHES NOMINAL |
POLARIZATION TYPE | CENTER KEY HOLE |
SPECIFIC EQUIPMENT ACCOMMODATED | ELECTRON TUBE |
CONTACT MAXIMUM VOLTAGE IN VOLTS AND CURRENT TYPE | 600.0 AC AND 600.0 DC |